CONTI+ CONGENIAL FIT Concealed shower Rectangular stainless steel, electric, Piezo Probes, Mains operation, Thermostat, Hygienic flushing, Chrom, DN15, FinishedAssembly Set CONE2156211200
CONGENIAL FIT concealed shower, chromed, angular, thermostat, piezo switch, DN15 - final assembly kit
Final assembly kit for electronic shower device, designed as concealed shower in nominal diameter DN15. With thermostatic mixing device for connection to cold and hot water. Application in new construction building and renovation in commercial, semi-public and public sanitary facilities.
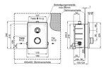
• Concealed shower final assembly kit with angular cover plate
• Cover plate: stainless steel 1.4301, all visible surfaces made of brushed stainless steel
• Concealed mounting, robust double lock, multi sealing system with drainage system for condensation
• Support frame for cover plate: ABS with EPDM lip seal
• Implementing functional elements and thermostat incl. EPDM sealing rings
• Adaptive multifunctional water path CONGENIAL with solenoid valve 6 V/DC ROBUST, bistable
• Multifunction tool for maintenance work
• Upgrade and retrofitting functions
• Water path: dezincification resistant forged brass, as a high-quality thermostatic mixer, thermostat handle: chromed brass
• Visible components made of solid chromed brass, with safety stop
• Choice of temperature and setting range
• Integrated check valve in the bypass and check valve and strainer cartridges for water inlets
• All functional parts can be disassembled during maintenance work without removing the valve body
• Electronic operation of the shower function via piezo switch with start/stop function, piezo switch: colour ring red, rosette chrome plated
Mains:
12 V/DC series wiring to connect to central mains power supply (see chapter accessories)
Execution options:
Hygienic flush (mains):
Hygienic flush (electronic): the hygienic flush can be carried out in electronic showers by programming via the piezo switch or the Service APP per shower.
Operating voltage (mains): 24 V/DC
Operating pressure: 1,5 – 5,0 bar
Water temp. standard operation (max.): 70 °C
Water temp. thermal disinfection: Short-term for therm. disinfection 80 °C
Flow rate DN15: 0,15 l/s (flow rate regulator)
Water flow time setting range: 3-180 s
Water flow time factory setting: 30 s
Hygienic flush setting range: 12, 24 or 72 h, can be deactivated via setting on piezo switch, other hygienic flush intervals can be set via Service APP
Hygienic flush factory setting: 12 h after last water flow activation, 30 s water flow time
Electronic protection type: IP68
Dimensions (WxHxD): 170x225x10 mm





